0755-86672021
首页
关于我们
产品中心
解决方案
工程案例
技术资料
联系我们
公司简介
资质证书
新闻动态
优惠专区
霍尼韦尔系列
电动阀
平衡阀
执行器
温控器
传感器
控制器
BAcom系列
阀门
执行器
传感器
自控系统
电表
搏力谋系列
风门执行器
传感器
控制阀
蝶阀及执行器
平衡阀
座阀和执行器
VAV系统方案
西门子系列
电动阀
平衡阀
执行器
温控器
传感器
控制器
霍尼EXCEL 5000-EBI 系列
星级酒店
洁净厂房
医院
商业写字楼
大型公建
霍尼韦尔系列
Bacom系列
搏力谋系列
西门子系列
联系方式
人才招聘
在线留言
产品中心
Product Center
霍尼韦尔系列
电动阀
平衡阀
执行器
温控器
传感器
控制器
BAcom系列
阀门
执行器
传感器
自控系统
电表
搏力谋系列
风门执行器
传感器
控制阀
蝶阀及执行器
平衡阀
座阀和执行器
VAV系统方案
西门子系列
电动阀
平衡阀
执行器
温控器
传感器
控制器
温控器
首页
>
产品中心
>
西门子系列
>
温控器
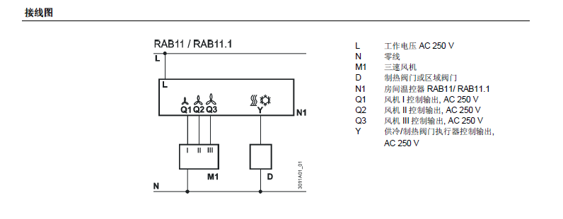
机械温控面板 RAB11.1/RAB11.1
产品品牌:
西门子系列
产品型号:
RAB11/RAB11.1
产品简介:
· 手动开关用于切换冷热模式以及风机功能 · 开关控制 · 手动三速风机开关 · 工作电压 AC 250 V · 控制输出 ON/OFF
技术参数
接线图
选型
相关下载
上传日期
名称
2018-11-26
西门子机械温控面板 RAB11/RAB11.1
下载
浏览
在线客服
在线QQ
QQ客服
周小姐
易小姐
电话
0755-86672021
返回顶部